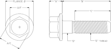
Hex Flange Bolts Request a Quote Standard diameters for hex flange bolts range from 1/4 to 1-1/4 inches. Metric diameters from M8 to M32. *Lots sizes starting at 5,000 pieces. DimensionsABCDEFø DimensionsABCDEA/CA/F DimensionsABCDEA/F DimensionsABCDEA/CA/Fø DimensionsABCDEF DimensionsABCDEø Upload Attachment(s) Drop files here or Select files Max. file size: 32 MB, Max. files: 3. Date RequiredMonthMonthJanuaryFebruaryMarchAprilMayJuneJulyAugustSeptemberOctoberNovemberDecemberDayDay12345678910111213141516171819202122232425262728293031YearYear20272026QuantityPlease describe how the part will be used.Please provide any additional details. E.g. ANSI / DIM specifications, special materials, finishes, delivery details, etc.Name First Last CompanyTitleEmail Address* Phone Number